Intelligent Video Conferencing

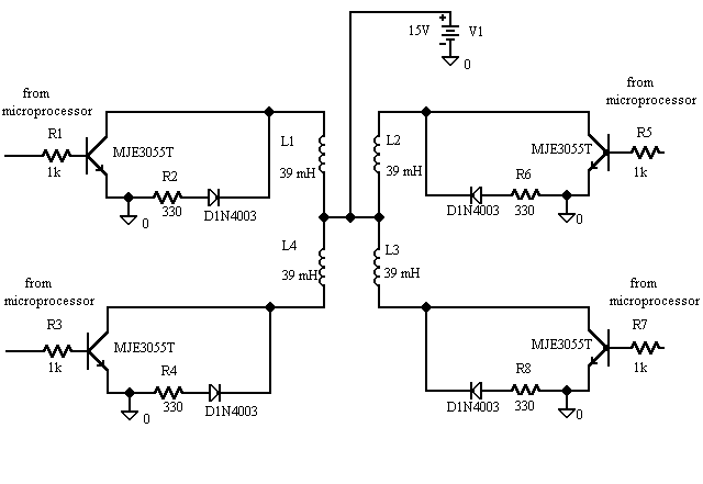
Motor Circuitry